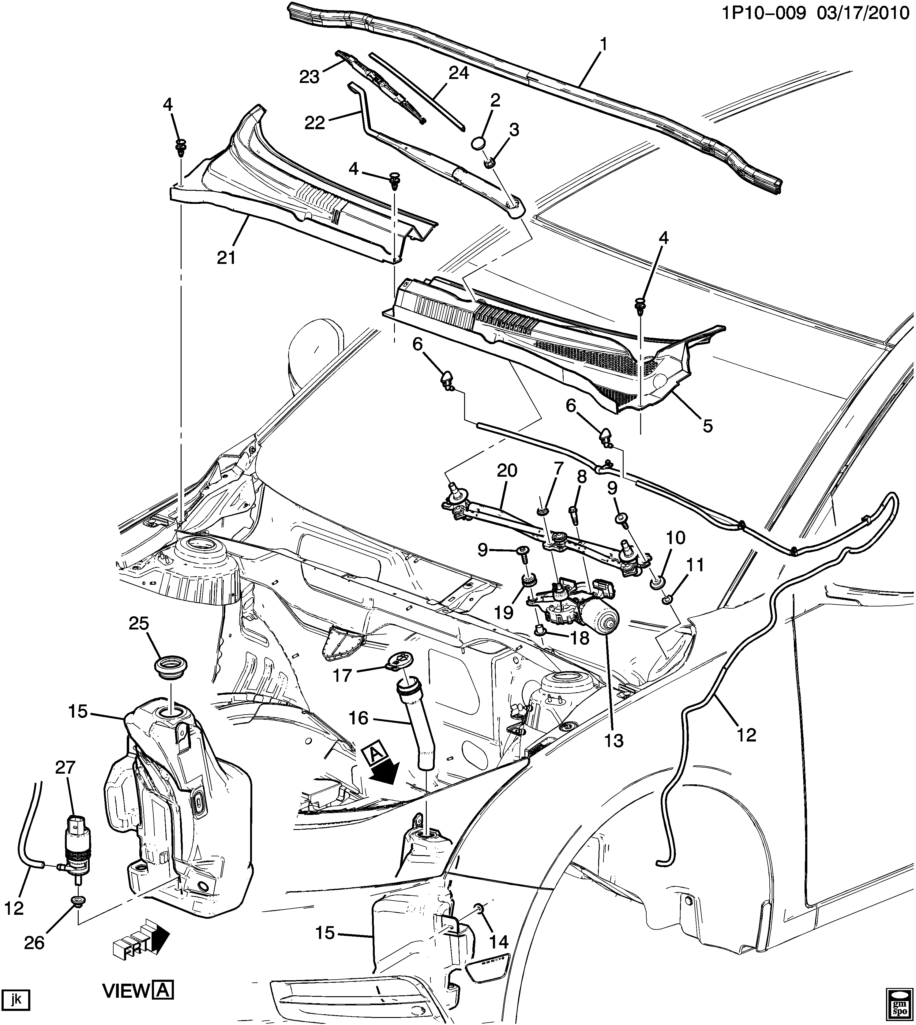
WIPER SYSTEM/WINDSHIELD
  • BOLT,HEX,W/WA,M6X1X35,24 O.D.,AC PT,9.8,POR(WSW & WSWA MTR) 11513947
  • CAP,WSWA SOLV CNTNR(PART OF 16) 13227300
  • CLIP,AIR INL GRL PNL 95230842
  • CONTAINER,WSWA SOLV 23362222
  • HOSE,WSWA NOZ 95920021
  • NOZZLE,WSWA 95226510
  • NUT,HEX W/CON WA,M6X1,5.7 THK,16 OD,9,GMW3200(WSWA SOLV CNTNR) 11609411
  • PANEL,AIR INL GRL 95321394
  • PANEL,AIR INL GRL 42476131
  • PUMP,WSWA(ACDelco #13593730) 13593730
  • БОЛТ,БЛОК СИСТ СТЕКЛООЧ/ВС(M6X1X34MM) 94502233
  • ВТУЛКА ПРОХОДНАЯ,КОНТЕЙН РАСТВ ОМЫВ/ВС(32 ММ ВНУТРЕННИЙ ДИАМЕТР)(*KIT2) 09114703
  • ГАЙКА, РЫЧАГ СТЕКЛООЧИСТ. ВЕТР. СТЕКЛА(M10X1,25MM) 11609634
  • ГАЙКА,БЛОК СИСТ СТЕКЛООЧ/ВС 94515540
  • ДВИГАТЕЛЬ-СТЕКЛООЧ/ВС 96893302
  • КРЫШКА,ГАЙКА РЫЧАГА СТЕКЛООЧ/ВС 96845751
  • НАЩЕЛЬНАЯ РЕЙКА, ЗАДН КАПОТ 96991919
  • РАМА, ТРАНС. СТЕКЛООЧИСТИТЕЛЯ ВЕТРОВ. СТЕКЛА 95971326
  • РЫЧАГ,СТЕКЛООЧ/ВС 95971329
  • РЫЧАГ,СТЕКЛООЧ/ВС 95971328
  • ТРУБКА, ЗАЛИВ/ОТВ КОНТЕЙНЕРА С РАСТВОРИТЕЛЕМ ДЛЯ ОМЫВ/ВС 95980613
  • УПЛОТНЕНИЕ, НАСОС ОМЫВ/ВС(*KIT2) 13250358
  • Щетка стеклоочистителя левая 95430139
  • ЩЕТКА,СТЕКЛООЧ/ВС(ДАТА ИЗГОТОВЛЕНИЯ 25.10.2011 И ПОЗЖЕ)(ДЛЯ ПЕРВОГО ИСПОЛНЕНИЯ СМ. 96910780) 95161606

კალათი



რაოდენობა : 0

ჯამი : 0.00 ₾