
- MN166810
- BOLT,ENG WATER COOLER MF140258
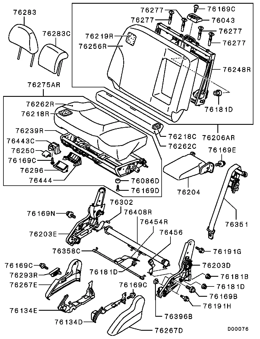
- FRAME,2ND SEAT CUSHION 6960A014
- GARNISH,2ND SEAT CUSHION TIP UP KNOB MN166806XA
- GARNISH,2ND SEAT SLIDE ADJUSTER LEVER MN166803XA
- KNOB,2ND SEAT CUSHION TIP UP MN166802XA
- KNOB,2ND SEAT SLIDE ADJUSTER LEVER MN166801XA
- KNOB,2ND SEAT WALK-IN LEVER 6924A089
- KNOB,2ND SEAT WALK-IN LEVER 6924A037
- PAD,2ND SEAT CUSHION 6902A086
- SCREW,FR DOOR PANEL MF351465
- SHAFT,2ND SEAT STAY MN166746
- БОЛТ,ЗАДН.СИДЕНЬЯ MN166812
- Винт MR321184
- ВИНТ,ЗАДН.СИДЕНЬЯ MN166813
- ВИНТ,ЗАДН.СИДЕНЬЯ MB941045
- ВИНТ,ТОПЛИВНЫЙ БАК MF350791
- ГАЙКА,БЛОКА ЦИЛИНДРОВ MF434105
- ГАЙКА,ЗАДН.РЕМНЯ БЕЗОПАСНОСТИ MR217043
- ДЕМПФЕР,ОПОРЫ 3-ГО РЯДА СИДЕНИЙ MR347899
- КРЫШКА,БОКОВАЯ РЕЙКА 2-ГО СИДЕНЬЯ,СЛЕВА MN166797XA
- КРЫШКА,БОКОВАЯ РЕЙКА 2-ГО СИДЕНЬЯ,СЛЕВА 6977A121XA
- КРЫШКА,БОКОВАЯ РЕЙКА 2-ГО СИДЕНЬЯ,СПРАВА 6977A122XA
- КРЫШКА,БОКОВАЯ РЕЙКА 2-ГО СИДЕНЬЯ,СПРАВА MN166798XA
- МЕХАНИЗМ РЕГУЛЯТОРА НАКЛОНА СИДЕНЬЯ 2-ГО РЯДА 6924A044
- МЕХАНИЗМ РЕГУЛЯТОРА НАКЛОНА СИДЕНЬЯ 2-ГО РЯДА 6924A048
- НАБИВКА ПОДУШКИ ПРАВОГО СИДЕНЬЯ 2-ГО РЯД 6902A028
- НАБИВКА ПОДУШКИ СИДЕНИЯ 2-ГО РЯДА ПРАВ. 6902A078
- НАПРАВЛЯЮЩАЯ ПОДГОЛОВНИКА MN148712HA
- НАПРАВЛЯЮЩАЯ ПОДГОЛОВНИКА MN148711HA
- НАПРАВЛЯЮЩАЯ РЕМНЯ БЕЗОПАСНОСТИ 6940A017XA
- ОБЛИЦОВКА,МЕХ-МА НАКЛОНА СИДЕНЬЯ 2-ГО РЯДА 6977A118XA
- ОБЛИЦОВКА,МЕХ-МА НАКЛОНА СИДЕНЬЯ 2-ГО РЯДА 6977A120XA
- ПОДГОЛОВНИК 2-ГО РЯДА СИДЕНИЙ 6971A013XC
- ПОДГОЛОВНИК ПЕРЕДН. СИДЕНЬЯ MN166663HD
- ПОДЛОКОТНИК,СИДЕНЬЯ 2-ГО РЯДА,ПРАВ 6970A004XB
- ПОДУШКА В СБОРЕ,2-ГО РЯДА СИДЕНИЙ 6912A010HC
- РАМА ЗАДН. ПРАВОГО СИДЕНЬЯ 6970A030
- РАМА ЗАДН. ПРАВОГО СИДЕНЬЯ 6970A032
- РЕМЕНЬ БЕЗОПАСН.2-ГО РЯДА,ПРАВ.ВНУТР. 7000A050XA
- РЕМЕНЬ БЕЗОПАСН.2-ГО РЯДА,ПРАВ.ВНУТР. 7000A072XA
- РЕМЕНЬ БЕЗОПАСНОСТИ,СИДЕНЬЯ 2-ГО РЯДА,ЦЕНТР. 7000A071XA
- РУЧКА,МЕХ-МА НАКЛОНА СИДЕНЬЯ 2-ГО РЯДА,ПРАВ. 6940A016XA
- СПИНКА В СБОРЕ,2-ГО РЯДА СИДЕНЬЯ,ПРАВ. 6902A012HB
- ЧЕХОЛ, ПОДУШКА СИДЕНЬЯ 2 РЯД 6902A082HB
- ЧЕХОЛ, ПОДУШКА СИДЕНЬЯ 2 РЯД,СПРАВА 6902A074HC
- ЧЕХОЛ,СПИНКА 2-ГО СИДЕНЬЯ,СПРАВА 6902A076HB
