
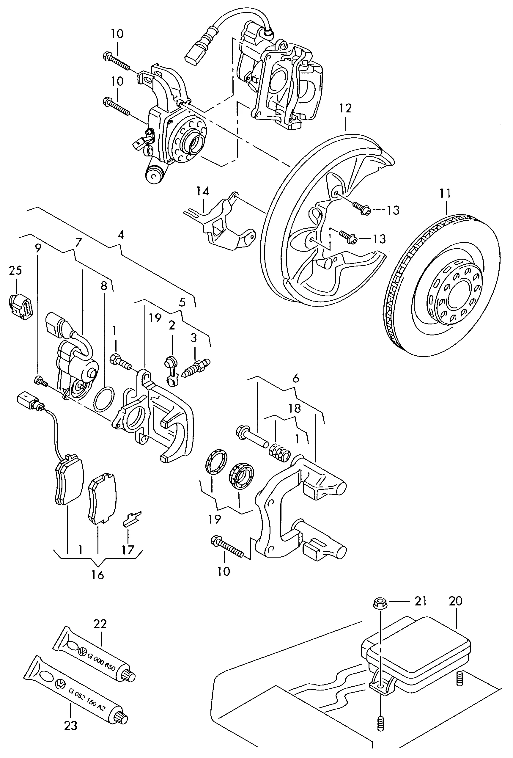
- 1 комплект защитных чехлов для направляющих пальцев 8K0698470A
- Блок управления с ПО электромеханич. стояночного тормоза -EPB- 4F0910801C
- Винт с полукр.гол. и внут.TORX N90598804
- Винт с потайн.гол.и внутр.TORX N10648301
- Винт с цилиндрической головкой с внутренним шестигранником N01470111
- Винт с шестигранной головкой и буртиком, самостопорящийся N01024124
- Винт самостопорящийся N91126801
- Исполнит. электродвиг. корпуса торм. суппорта с монтаж. дет. 4F0998281
- К-т уплотнений для корпуса тормозного суппорта 1J0698671
- Корпус тормозного суппорта с исполнительным электродвиг. 4F0615403A
- Корпус тормозного суппорта с исполнительным электродвиг. 4F0615404A
- Литиевая смазка G052150A2
- Направляющая колодок с направляющими пальцами 4F0615425D
- Направляющая колодок с направляющими пальцами 4F0615426D
- Пластичная смазка G000650
- Прокачной штуцер 1K0615273C
- Проставка 1K0615231
- Пылезащитный колпачок 211611483
- Уплотнительное кольцо 4E0615137
- Шестигранная гайка с буртиком N01508213
- Щиток тормозного диска 4F0615612
- Щиток тормозного диска 4F0615611
- დისკებისა და ხუნდების კომპლექტი 4F0098601
- უკანა მუხრუჭის დისკი 4F0615601E
- უკანა მუხრუჭის ხუნდები 4F0698451D
