
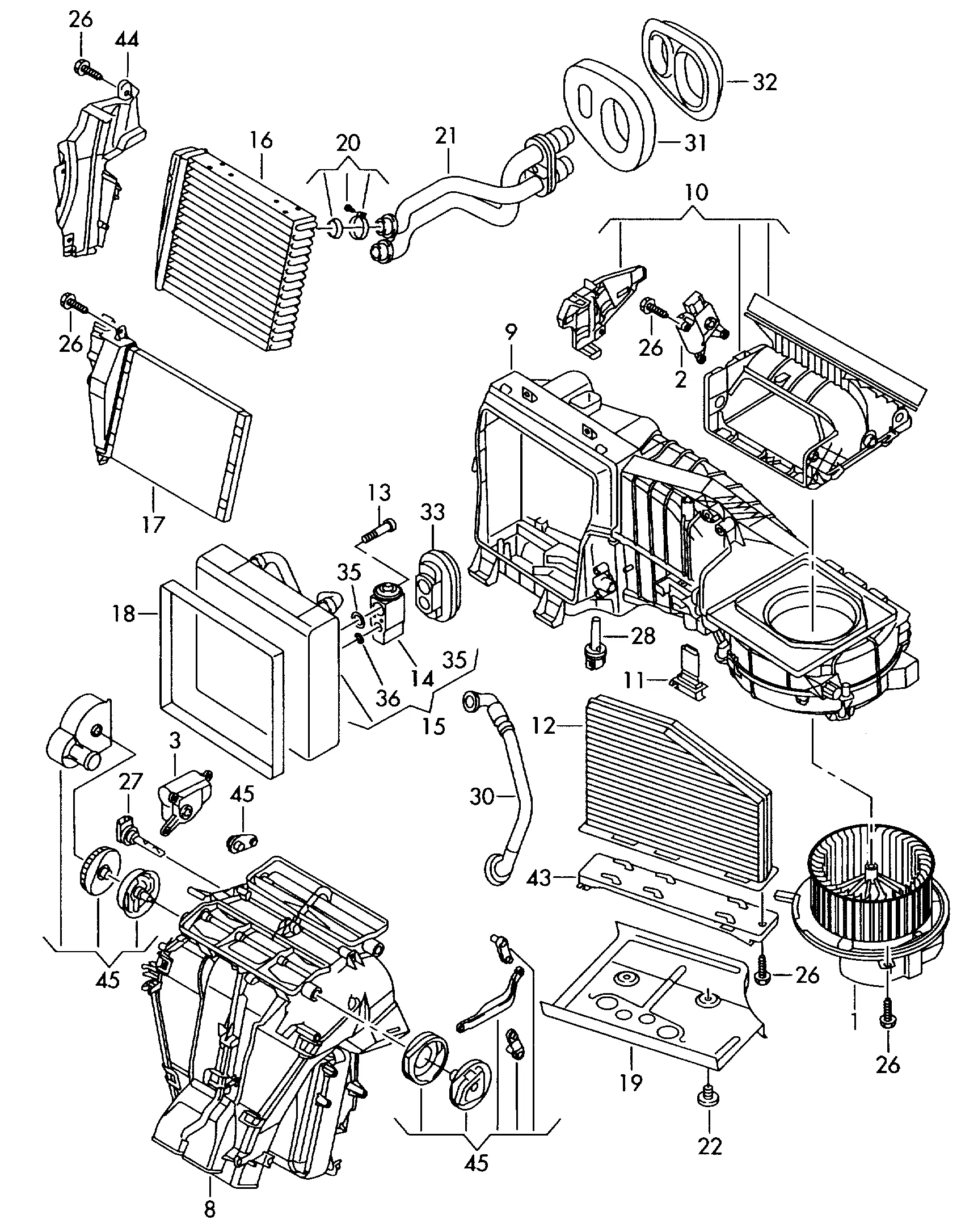
- 1 комплект рычагов 1K0898002
- 1 комплект рычагов для распределителя воздуха 1K1898001
- Балластное сопротивление 1K0959263A
- Барашковый винт WHT000155
- Вентилятор 1K1819015D
- Винт с цилиндрической головкой N10476301
- Винт с шестигранной головкой и шайбой N90532901
- Впускной канал 5C1819304
- Втулка 5C0820751
- Датчик температуры 1K0907543G
- Датчик температуры 4B0820539
- Держатель 1K1971262K
- Держатель 1K1819453
- Держатель 1K1819473H
- Исп. электродвигатель функции рециркуляции 1K0907511C
- Испаритель с расширительным клапаном 1K1820103E
- Исполнительный электродвиг. 5Q0907511L
- Исполнительный электродвиг. заслонки рег. температуры 1K1907511C
- Кольцо уплотнительное 8E0260749D
- Кольцо уплотнительное 8E0260749
- Корпус 5C1820007
- Накладка 5C1819172A
- Накладка 1K1819349F
- Накладка 1K1819593B
- Накладка 1K0819422B
- Пластина 3C0819939
- Распределительный короб 5C1820353
- Расширительный клапан 1K0820679
- Саморез с шестигран. головкой N10424102
- Теплообменник 5C0819031
- Труба для слива воды 1K1260113D
- Уплотнитель 1K0820080
- Уплотнитель 1K0820139
- Фильтр.элемент салон. фильтра 1K0819644B
