
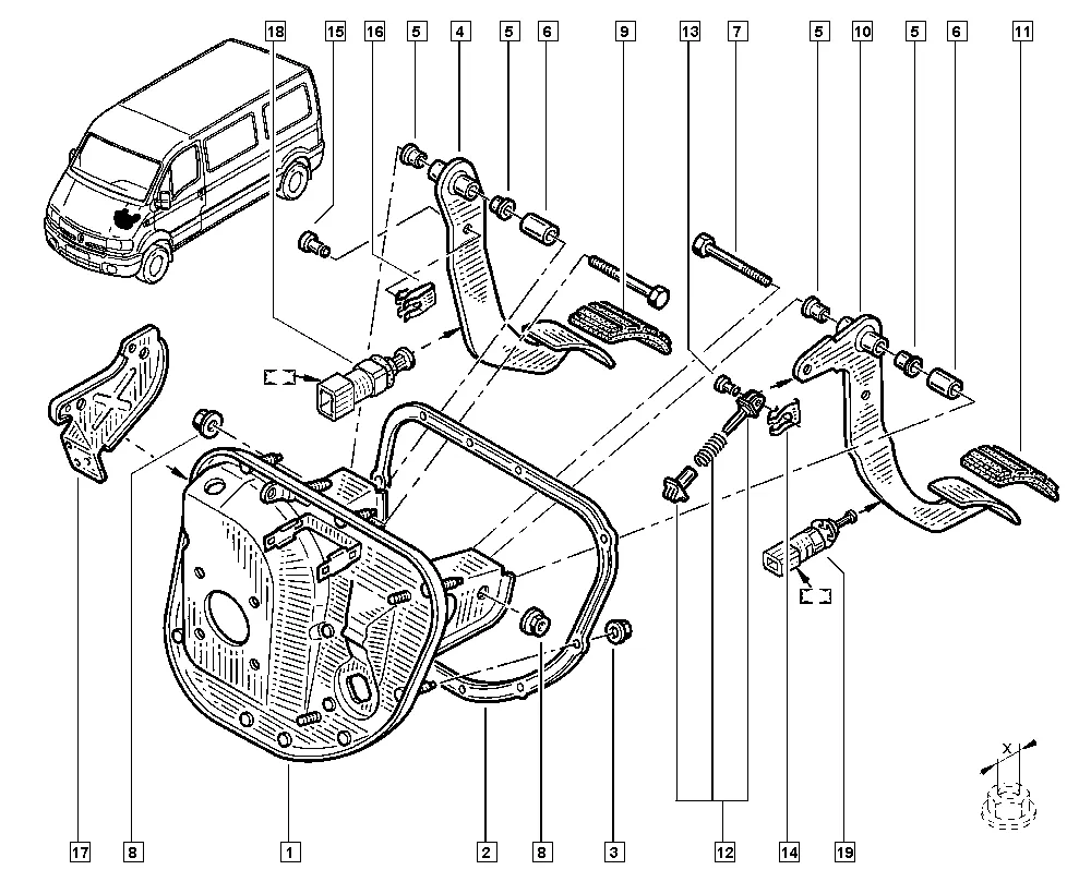
- DOOR RUBBER 7701044884
- PEDAL 7701044885
- PEDAL 7701049474
- SHAFTS 7701044887
- SPACERS 7701044888
- SUPPORT 7701472817
- БОЛТ М10 7703002776
- ВОЗВРАТНАЯ ПРУЖИНА 7701472890
- ВЫКЛЮЧАТЕЛЬ КОНЦЕВ 7700414986
- ВЫКЛЮЧАТЕЛЬ КОНЦЕВ 7700414988
- ГАЙКА М8 7703034249
- ГАЙКА М8 7703033132
- ДАТЧИК ПОЛОЖЕНИЯ П 7700431512
- КЛИПСА КРПЛ ПАТРУБ 7703066430
- НАКЛАДКА ПЕДАЛИ 7700800426
- ПЕДАЛЬ АКСЕЛЕРАТОР 7701057710
- ШПИЛЬКА 8-21 7703050176
