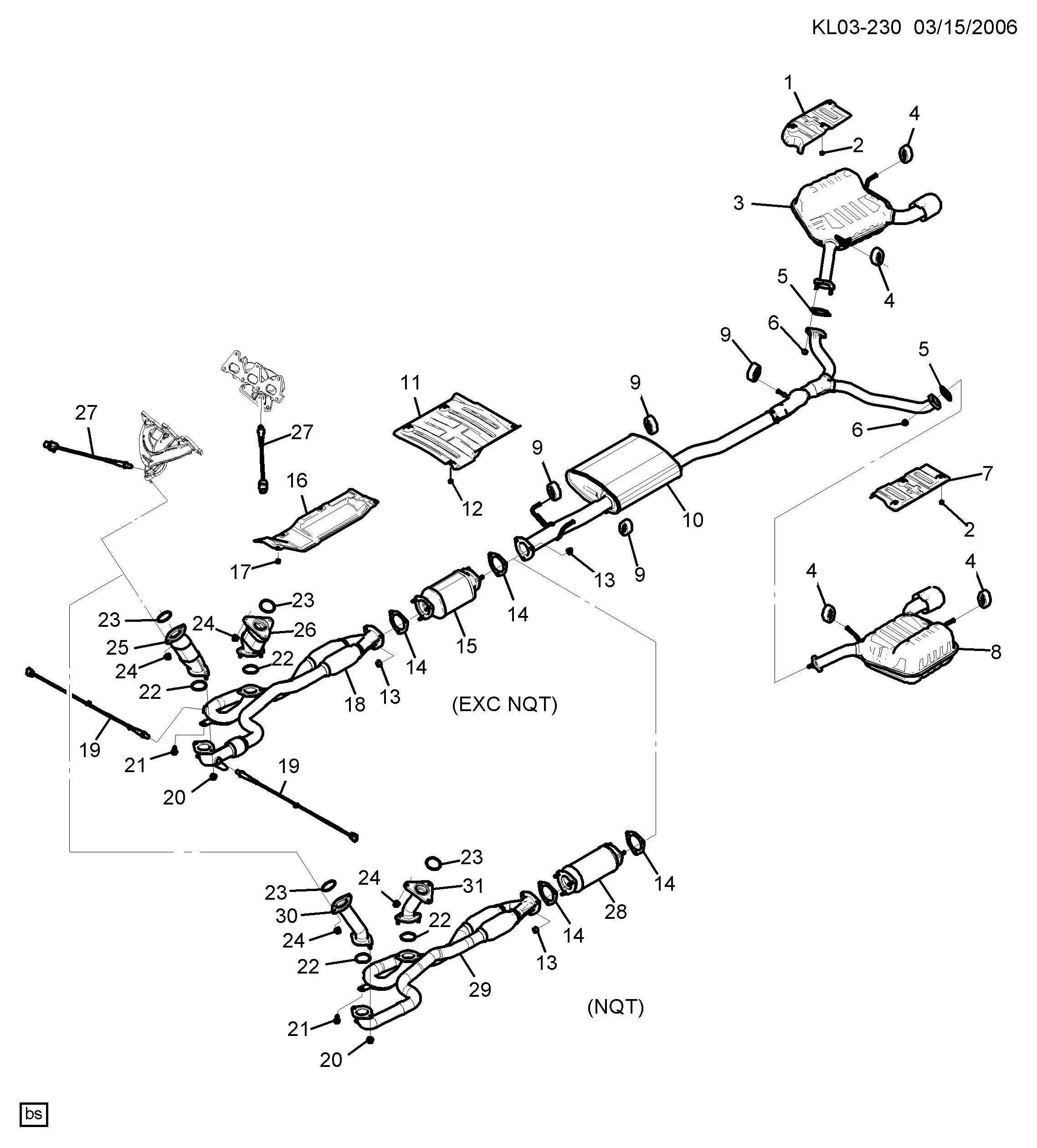
СИСТЕМА ВЫХЛОПАV 6 (LU1/3.2G)
  • Гайка 94515068
  • ГАЙКА, КАТАЛИТИЧ. ПРЕОБРАЗ, ТЕПЛОЗАЩ. ЭКРАН(10.147) 94515118
  • ГЛУШИТЕЛЬ, ВЫПУСК.(С ВЫПУСК. ТРУБ.) 96629174
  • ГЛУШИТЕЛЬ, ВЫПУСК.(С НАКОНЕЧНИКОМ ТРУБЫ)(3.701) 96815497
  • ГЛУШИТЕЛЬ, ВЫПУСК.(С НАКОНЕЧНИКОМ ТРУБЫ)(3.701) 96815496
  • ДАТЧИК, НАГРЕТЫЙ КИСЛРД(ПОЛОЖЕНИЕ КОЛЛЕКТОРА) 92068286
  • ДАТЧИК, НАГРЕТЫЙ КИСЛРД(ПОЛОЖЕНИЕ ТРУБЫ ДВИГАТЕЛЯ) 12571768
  • ЗАЩИТА, ТЕПЛ КАТАЛИТ ПРЕОБР(ВЫПУСК) 95937916
  • ЗАЩИТА, ТЕПЛ, ЗАДН ВЫПУСК ГЛУШИТЕЛЬ(ЛЕВ) 96629201
  • ЗАЩИТА, ТЕПЛ, ЗАДН ВЫПУСК ГЛУШИТЕЛЬ(ПРАВЫЙ) 96629200
  • ЗАЩИТА, ТЕПЛ, ПЕРЕДН ВЫПУСК ГЛУШИТЕЛЬ 95937930
  • ИЗОЛЯТОР, НАРУЖН. ГЛУШИТЕЛЬ, ПЕРЕДН. КРЮК 96351529
  • КОНВЕРТЕР 3-СТУПЕНЧ. КАТАЛИТИЧ. 96629312
  • КОНВЕРТЕР, ПРОГР. ТРЕХСТУПЕНЧ. КАТАЛИТИЧ., ЗАДН. 96629310
  • КОНВЕРТЕР, ПРОГР. ТРЕХСТУПЕНЧ. КАТАЛИТИЧ., ПЕРЕДН. 96629308
  • ПРОКЛАДКА-ЗАДН ГЛУШИТЕЛЬ 96536925
  • ПРОКЛАДКА-КАТАЛ НЕЙТР , [GC] 96350814
  • ПРОКЛАДКА,КАТАЛИТ НЕЙТРАЛИЗ 96337657
  • СТРЕМЯНКА,ВЫПСК ТРУБА(3.616) 94501078
  • ТРУБКА, ВЫПСК ПЕРЕДН 96629164

Корзина



Количество товаров : 0

Сумма : 0.00 ₾