
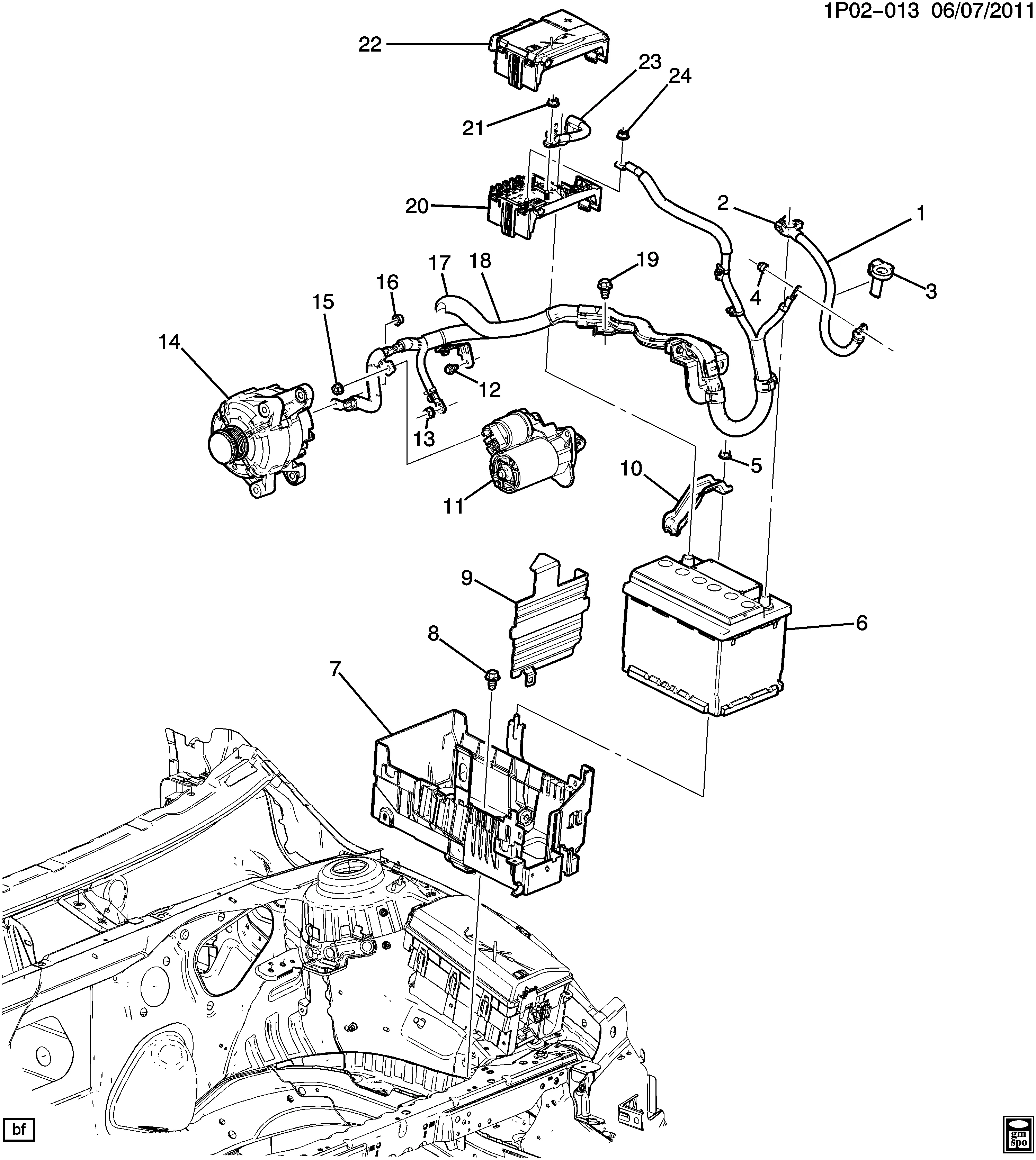
- BLOCK,FUSE(INCLS 21-23)(INCLS 250 AMP FUSE) 96889385
- BOLT,HWASH,M8X1.25X20,14 THD,24 OD,GMW25(8.8)STEEL,GMW3359,M-POINT.(BAT TRAY) 11519387
- CABLE,BAT NEG(INCLS 2)(ACDelco #22754271) 22754271
- CABLE,BAT POS FUSE BLK(PART OF 20)(PREFUSE) 96999745
- CABLE,GEN & STRTR(INCLS 17)(ACDelco #13291347) 13291347
- GENERATOR,(SEE GROUP 02.000 "GENERATOR MOUNTING" FOR DETAILED ILLUSTRATED VIEW)(CODE AMR,AF7)(ACDelco #13597227) 13597227
- NUT,HEX, M8X1.25, 6.6 THK, 10, GMW3200.(ENG WRG HARN GEN LEAD) 11609789
- NUT,HFH, M6X1, 11MM THK,14 OD,8 STL,GMW4700(ZN-NI).(RDO ANT COIL) 11609767
- NUT,HFH,M6X1,5.85THK,14.2 O.D.,10,ZOR(L/GATE SI APLQ) 03530297
- RETAINER,BAT HOLDN 13284547
- SENSOR,BAT CUR(ACDelco #13505369) 13505369
- STARTER,(ACDelco #25194634) 25194634
- БОЛТ,ЗАДН КРШК РЕМНЯ ГРМ(M6X1X16MM)(ДИАМЕТР ШАЙБЫ 14.20 ММ)(3.602) 11588711
- БОЛТ,КРОНШ ЭЛЕКТРПРОВ ДВИГ(M10X1,5X20,65 MM)(1.516) 11588736
- ГАЙКА, СОЕД. БЛОК, АККУМ., ПОЛОЖ. КАБЕЛЯ(ДЕТАЛЬ ИЗ 3)(M8X1.25X9.4 ММ)(0.648) 11516076
- ЗАЩИТА, ПОДДОН АККУМУЛЯТОРА 13284552
- КРЫШКА,БЛОК ПРЕДОХРА П/ОТС(ДЕТАЛЬ ИЗ 3)(АККУМУЛЯТОР) 13289599
- ПОДДОН АККУМУЛ(В ТОМ ЧИСЛЕ 6-7) 13354419
