
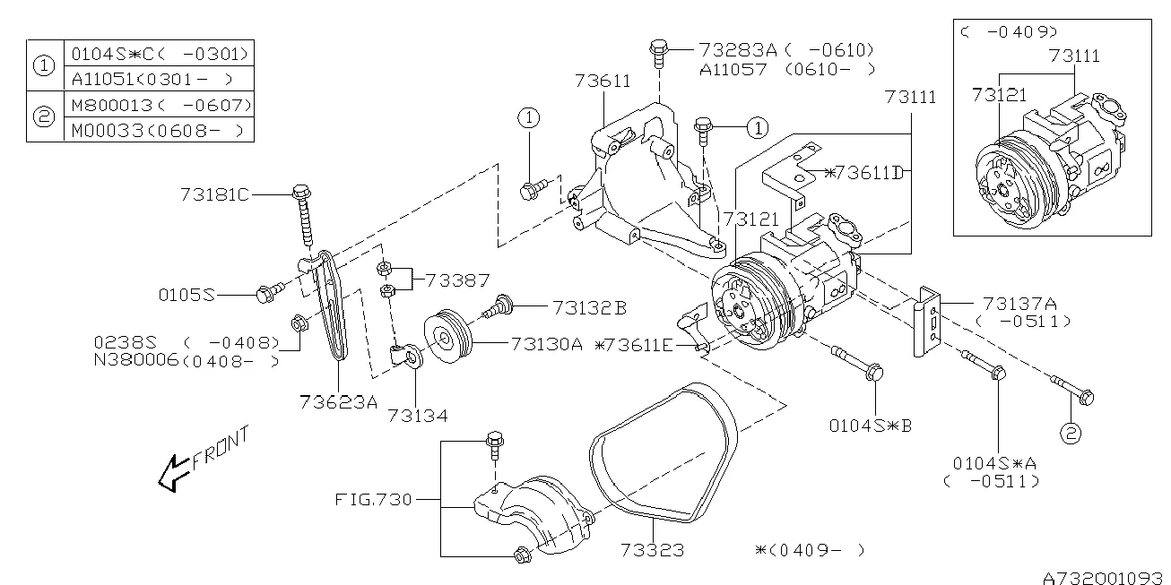
- Болт 800110510
- Болт 73790FA040
- Болт 901800013
- Гайка 902380006
- Гайка 73092AA000
- Компрессор (в сборе) 73111SA001
- Кронштейн компрессора (в сборе) 73611SA000
- Кронштейн накладки 73633SA020
- Кронштейн накладки 73633SA010
- Кронштейн шкива 73610AC000
- Муфта компрессора (в сборе) 73121SA000
- Ось холостого шкива 73132AC000
- Регулятор холостого шкива 73134AC001
- Ремень компрессора 73323AC011
- Фиксатор крышки 73137SA000
- Фланцевый болт 73790AC100
- Фланцевый болт 010408450
- Фланцевый болт 010508250
- Фланцевый болт 010408160
- Холостой шкив кондиционера (в сборе) 73131FC000
