
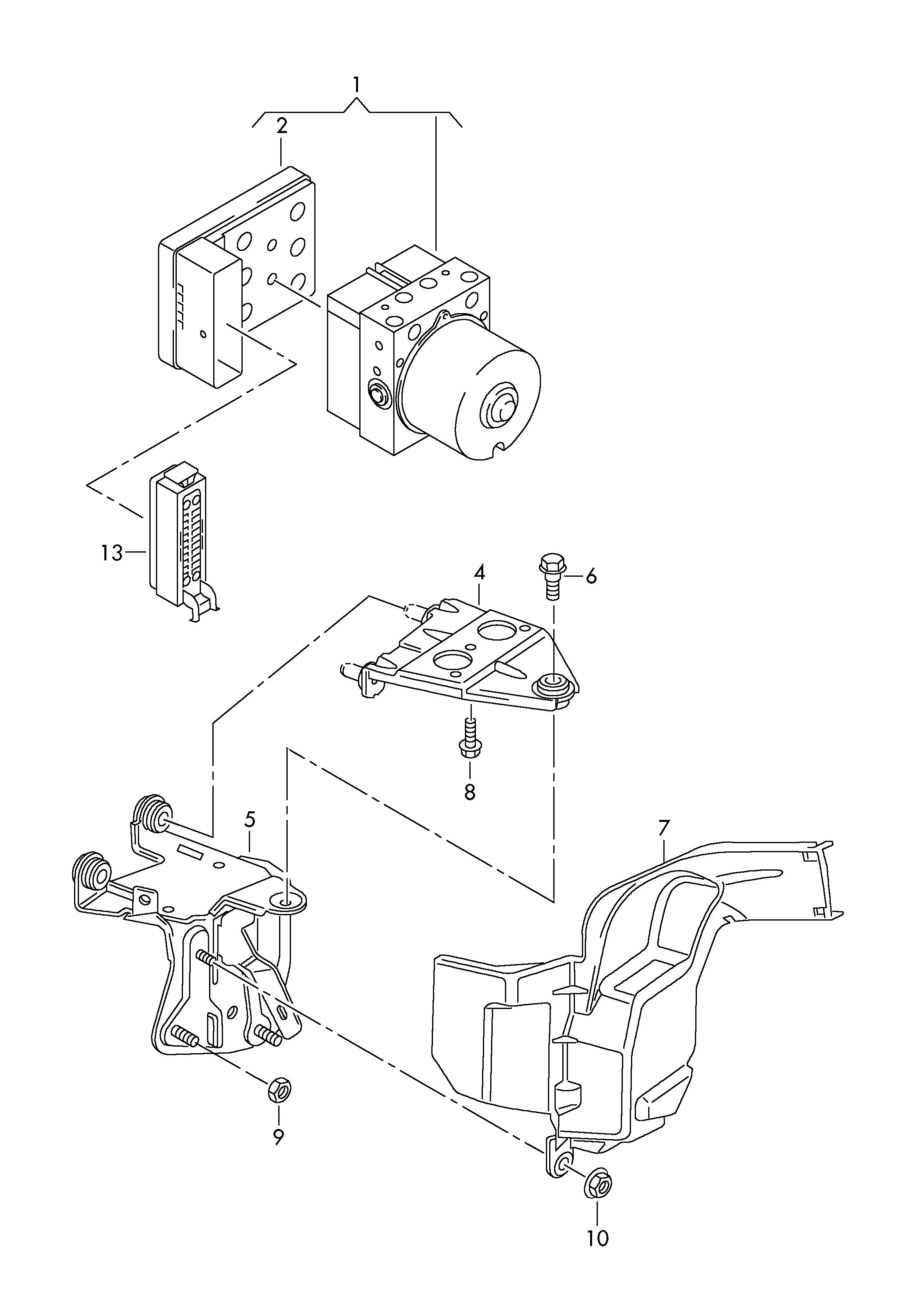
- Блок управления ABS 1K0907375BL
- Винт с плоской головкой и внутренним Torx N91073301
- Гайка стопорная N02300213
- Гайка шестигранная с буртиком самоконтрящаяся N02300313
- Корпус плоского разъема с фиксатором контактов 7L0973047
- Кронштейн модуля ABS 1K1614235E
- Кронштейн опорный 1K0614235D
- Модуль ABS с БУ 1K0614517DP
- Модуль ABS с БУ заправлена и прокачана 1K0614517DPBEF
- Центровочный винт с шестигран. головкой, с буртиком N91165201
